Пн-Пт: с 8:30 до 19:00 Сб-Вс: с 9:00 до 17:00
Личный кабинет
esezakaz@gmail.com

Реле контроля наличия; асимметрии и чередования фаз CKF-B (монтаж на DIN-рейке 35мм; задержка отключения 3-5с; 3х400/230В+N 2А 1Z) F&F EA04.002.002

Реле контроля наличия; асимметрии и чередования фаз CKF-B (монтаж на DIN-рейке 35мм; задержка отключения 3-5с; 3х400/230В+N 2А 1Z) F&F EA04.002.002

Реле контроля наличия; асимметрии и чередования фаз CKF-B (монтаж на DIN-рейке 35мм; задержка отключения 3-5с; 3х400/230В+N 2А 1Z) F&F EA04.002.002

Подробнее
Арт. EA04.002.002
88.17 BYN
Остаток на складе: 1 Штука
В наличии
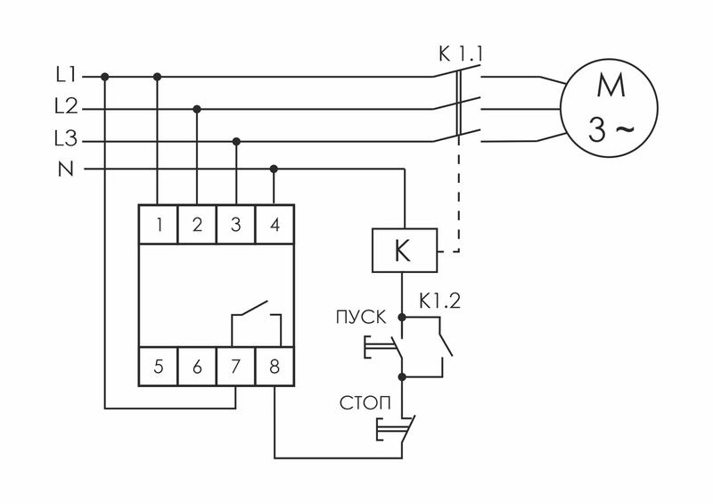
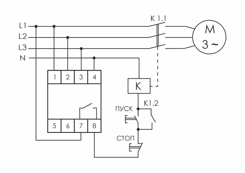
Реле контроля фаз серии "CKF" Монтаж на DIN-рейку. Предназначено для защиты электродвигателей и электроустановок, питаемых от трехфазной сети в случаях: отсутствия хотя бы одной из фаз, асимметрии напряжения, нарушения чередования фаз, обрыва нулевого провода. Принцип работы Если напряжение в пределах нормы, контакты исполнительного реле замкнуты и на контактор управления электродвигателем подается напряжение, управляющее его включением. В случае одной из вышеперечисленных аварийных ситуаций контакты реле размыкаются и контактор отключается. Включение происходит автоматически после восстановления сетевого напряжения питания. Особенности: контроль наличия фаз; контроль асимметрии между фазами; контроль чередования фаз; защита от обрыва нулевого провода; напряжение питания 3x230+N В AC; контакт - 1NO (8 А).

Пожалуйста, авторизуйтесь для того чтобы оставлять комментарии

Вы можете задать любой интересующий вас вопрос по товару или работе магазина.

Наши квалифицированные специалисты обязательно вам помогут.
Задать вопрос
Вы просматривали