Пн-Пт: с 8:30 до 19:00 Сб-Вс: с 9:00 до 17:00
Личный кабинет
esezakaz@gmail.com

Реле времени PO-406 8А 230В 1НО IP20 задержка выключ./управ. контактом монтаж в коробку d-60мм F&F EA02.001.019

Реле времени PO-406 8А 230В 1НО IP20 задержка выключ./управ. контактом монтаж в коробку d-60мм F&F EA02.001.019

Реле времени PO-406 8А 230В 1НО IP20 задержка выключ./управ. контактом монтаж в коробку d-60мм F&F EA02.001.019

Подробнее
Арт. EA02.001.019
60.62 BYN
Остаток на складе: 16 Штука
В наличии
Глубина 65
Страна происхождения Беларусь,Российская Федерация
Кратность товара 1
Код ETIM Реле времени
Род тока включения Переменный ток (AC)
Номинальное напряжение питания цепи управления Us перемен. тока АС при 50 Гц 230...250
Диапазон времени 60...900
Функция задержки при включении Нет
Функция задержки при отключении Да
Функция звезда/треугольник Нет
Количество выходов с задержкой, переключающий контакт 1
Возможно дистанционное управление Нет
Ширина 18
Высота 90
Гарантийный срок 2 года
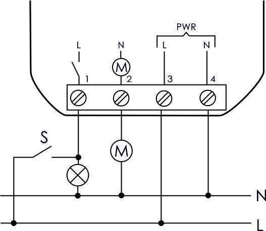
Реле времени серии "PO" Монтаж на плоскость. Предназначено для поддержания работы устройства после размыкания управляющего контакта в течение установленного отрезка времени. Например, выключателем включаем освещение - вентилятор включится, после выключения освещения вентилятор выключится через установленный отрезок времени. Принцип работы В результате замыкания управляющего контакта S контакты реле замыкаются. Размыкание управляющего контакта S вызывает отсчет установленного времени, по истечении которого работа реле прекращается. Особенности: вход управления; напряжение питания 230 В AC; задержка отключения 1...15 мин ; контакт - 1NO (8 А).

Пожалуйста, авторизуйтесь для того чтобы оставлять комментарии

Вы можете задать любой интересующий вас вопрос по товару или работе магазина.

Наши квалифицированные специалисты обязательно вам помогут.
Задать вопрос
Вы просматривали